欢迎访问延边大学出版社山东分社 !
出版流程
|
样书备案
0531-68656566
全国免费在线咨询
切换导航
首页
新闻资讯
公司新闻
出版知识
行业新闻
下载专区
图书展示
热销推荐
学术书籍
更多分类
服务范围
出版流程
条码生成
书号查询
选题申报
样书备案
关于我们
公司简介
组织机构
合作单位
联系我们
诚聘英才
学术期刊
首页
>
新闻资讯
>
出版知识
> 校对符号及用法
校对符号及用法
2020-07-07 13:43:31 来源: 点击:
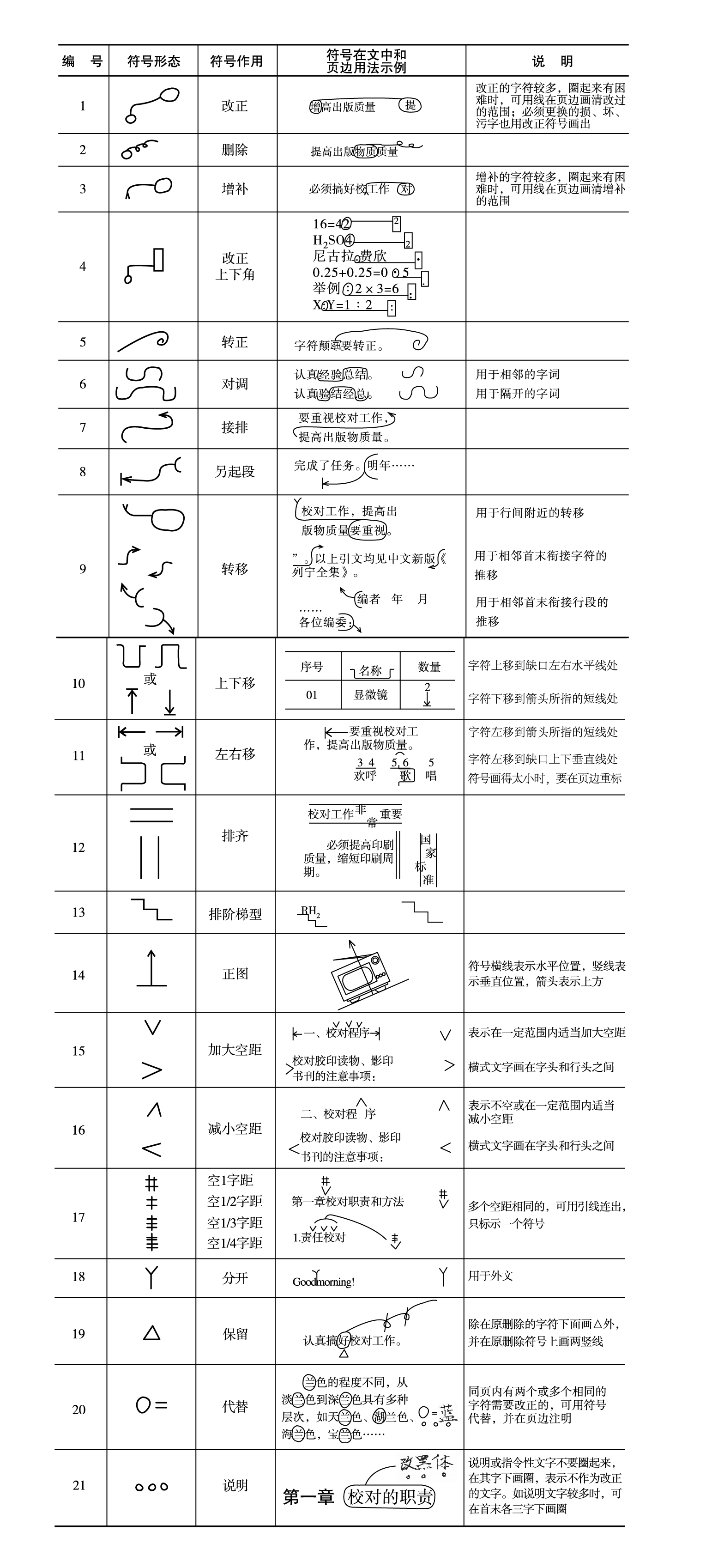
校对符号是用来标明校样上的错误和如何改动的记号,是编辑、校对、排版共同使用的标准语言。版面上的错误是多种多样的,各种不同错误的校正
校对符号是用来标明校样上的错误和如何改动的记号,是编辑、校对、排版共同使用的标准语言。
版面上的错误是多种多样的,各种不同错误的校正,或标明如何改动,都有相应的符号。凡有关人员都应懂得并熟练使用这些统一的符号,才能正确理解出版者的意图,按照标准的校对符号所表示的内容去改版。编辑、校对人员也只有正确掌握校对符号,才能准确无误地表达出自己的想法,而不致被误解,造成徒劳的反复改动,也可避免给下一道工序带来困难和麻烦,延长改版时间。
上一篇:
图书书眉的设计有什么要求?
下一篇:
审稿的方法有哪些?
最新图书
走进名著 探究考点 考点
走进名著 探究考点·九年级
走进名著 探究考点·八年级
走进名著 探究考点·七年级
小学数学解题方法·六年级
小学数学解题方法·五年级
小学数学解题方法·四年级
小学数学解题方法.三年级
最新资讯
海兰江畔稻花香 党的...
2021.07
延边大学出版社总经理...
2021.06
我社与四川师范大学电...
2021.06
延边大学出版社与延边...
2020.12